8 812 490-77-90Санкт-Петербург
8 800 775-63-03Бесплатно по России
Понедельник - Среда: 10:00 - 19:00
Четверг - Пятница: 10:00 - 18:00

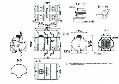
АНИОН МН11000_2РК2_Пр ёмкость для воды 11000 л, с перегородкой и дыхательным клапаном

Артикул: 8490
Гарантия от производителя: 1 год
Производитель: Анион
Характеристики
Все характеристики

Аналоги

АНИОН SB17_1ВФК2 ёмкость для воды 14500 л
Артикул: 8487
Доставка по Санкт-Петербургу
Курьер
бесплатно
Самовывоз
бесплатно
г. Санкт-Петербург, Чугунная, дом 14, лит. К, (въезд с Менделеевской 5)
Посмотреть на карте
Доставка по России
По тарифам транспортных компаний
Доставка до ТК
бесплатно
Подробнее про условия доставки
Способы оплаты
Наличными при получении
Банковским переводом
Банковской картой
Покупка в кредит
Подробнее про условия оплаты
Рейтинг магазина
Более 2000 клиентов рекомендуют нас!

Описание

Горизонтальная цилиндрическая емкость с четырьмя опорными площадками и с вместимостью около 11000 л - предназначена в основном для приготовления («растворный узел») и транспортировки растворов к местам проведения работ полевыми с/х опрыскивателями («заправщик»).

Заполненная емкость, установленная и закрепленная в соответствии со специальными требованиями, может перемещаться на транспортном средстве со скоростями до 30 км/час.

Наличие перфорированной перегородки внутри емкости уменьшает воздействие на стенки от ударов волн жидкости при движении автотранспортного средства и, как следствие, снижает влияние на его устойчивость и управляемость. Перегородка не препятствует доступу в смежные отсеки для проведения работ внутри, связанных с монтажом оборудования или с очисткой отсеков.

Сверху на емкости имеется люк-лаз с отверстием D 380мм, в котором может устанавливаться корзиночный сетчатый фильтр. При необходимости Потребитель может увеличить отверстие в горловине до D 530мм, т.к. его закрывает резьбовая крышка с резьбой D 580 мм.

Плоские площадки внизу торцевых поверхностей емкости позволяют устанавливать вварные патрубки ВПDN100 для подключения сливных шлангов и труб Ду=100 мм.

Помимо основного назначения емкость может использоваться для хранения и накопления различных жидкостей (вода, дизельное топливо и др.).

Дополнительно на емкость можно установить:

сливные штуцеры с трубной резьбой от 1/2 до 2 1/2 дюйма;
вварные патрубки с фланцем Dn100;
уровнемеры;
шаровые краны;
переходники и т.п.
Примечания:

Для механизации погрузочных работ (масса емкости около 450кг) при поставке – емкость установлена на транспортировочную паллету и грузится только через открытый боковой борт автомашины с помощью автопогрузчика с вилочным захватом.
Для обеспечения возможности выгрузки емкости автокраном или тельфером с помощью мягких строп - сверху имеются две проушины.
Подъем и опускание заполненной емкости – не допускается.

Характеристики

АНИОН МН11000_2РК2_Пр ёмкость для воды 11000 л, с перегородкой и дыхательным клапаном: основные характеристики
Изображения товара, цвет, размер, могут отличаться от реального внешнего вида товара. Производитель имеет право изменить конструкцию, технических характеристики, внешний вид, комплектацию товара без уведомления потребителя.

Отзывы

Об этом товаре отзывов нет

Cтаньте первым, кто оставит отзыв об этом товаре

Вы недавно смотрели