Заявка на кредит
Заявки обрабатываются в течение двух часов с 10:00 до 19:00.
Заявки, принятые после 19:00 рабочего дня и в выходные, обрабатываются с 10:00 первого
рабочего дня.
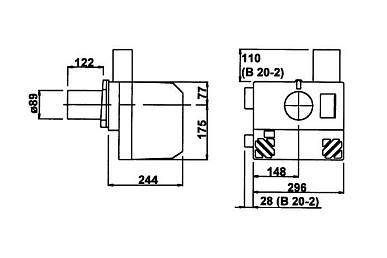
Компактные одноступенчатые дизельные горелки Bentone B20 KA/K R с пониженным уровнем шума предназначены для установки на напольные котлы любых производителей. Они используются для нагревания котельных установок и обогрева помещений путём сжигания жидких горючих материалов. Горелки, работающие на дизельном топливе, получили широкое распространение в загородных домах и коттеджах, не имеющих подведенного газопровода.
Стандартные крепёжные фланцы без труда позволяют установить горелку на котле. Мощность легко регулируется в широком диапазоне. Надёжная автоматика управления обеспечивает безотказную работу. Полностью укомплектованы для эксплуатации.
Горелки отличаются очень низким уровнем шума, чистотой сгорания топлива, современной конструкцией и компактными размерами. Отвечают требованиям охраны окружающей среды.
• Управление воздушной заслонкой серводвигателем.
• Микропроцессорный блок управления.
• Автоматический электророзжиг.
• Низкий уровень выбросов загрязняющих веществ.
• Стабильная работа при высоком сопротивлении топочного пространства.
• Вентилятор регулирует подачу воздуха и обеспечивает постоянное давление и расход воздуха.
• Автоматическая остановка подачи воздуха при выключении горелки.
• Управление воздушной заслонкой с помощью сервопривода.
• Специальные штуцеры для подключения манометра и вакуумметра.
• Разъемы для удобства электрического подключения.
• Кожух со звуко- и теплоизоляцией.
• Смотровой люк.
• Высокий КПД.
Cтаньте первым, кто оставит отзыв об этом товаре
Заявки обрабатываются в течение двух часов с 10:00 до 19:00.
Заявки, принятые после 19:00 рабочего дня и в выходные, обрабатываются с 10:00 первого
рабочего дня.

Оплатить заказ наличными могут жители Санкт-Петербурга и Ленинградской области во время доставки товара курьером или в нашем офисе. Наличный расчет производится в национальной валюте и включает в себя стоимость продукции и доставки. В подтверждение оплаты вы получите товарный чек.
Оплатить выбранный товар можно в банке. Для этого, после оформления заказа, попросите нашего менеджера выслать вам счет. Произвести оплату по счету банковским переводом можно в любом отделении коммерческого банка. Чтобы ускорить доставку после оплаты через банк, сообщите нам номер оплаченного счета по телефоне 8 812 490-77-90 или вышлите копию на электронный адрес.
Если вам удобнее рассчитаться дебетовой или кредитной банковской картой, то вы можете оплатить выбранные товары в офисе компании в Санкт-Петербурге по адресу улица Чугунная, д. 14, Лит. К (въезд с Менделеевской 5), или непосредственно во время доставки товара. Для этого сообщите менеджеру или курьеру об удобном способе оплаты и предъявите банковскую карту для проведения оплаты с помощью pos-терминала.
Теперь вы можете рассчитываться картой сразу при оформлении покупки на сайте. Обратите внимание: для вашего удобства мы принимаем оплату картой онлайн только после того, как менеджер интернет-магазина подтвердит наличие товара, согласует с вами комплектацию заказа и уточнит условия проведения платежа. После этого вы получите на электронную почту ссылку на оплату пластиковой картой онлайн и, перейдя по ней, сможете моментально провести платеж. Условия оплаты картой онлайн вы можете уточнить у менеджера. В случае возврата товара, оплаченного банковской картой, деньги перечисляются обратно на карту, с которой был осуществлен платеж.
Юридические лица могут оплатить заказанный товар по безналичному расчету на основании выставленной счет-фактуры в кассе банка или с расчетного счета Вашей компании. Сразу после оформления заказа наши менеджеры сформируют счет-фактуру и вышлют ее Вам на электронную почту или факсом. Полный пакет документов и оригинал счет-фактуры вы получите во время доставки товара или почтой.
ИП Солонина Ирина Николаевна
ОГРНИП 322784700207431
ИНН 782701450918
ООО «ПРОТЕПЛО»
ИНН 7804706455
КПП 780401001
ОКПО: 49699939
ОГРН 1247800003770
р/с : 40702810222090002538
в ФИЛИАЛЕ ПАО "БАНК УРАЛСИБ" В Г.САНКТ-ПЕТЕРБУРГ
кор.счет банка: 30101810800000000706
БИК 044030706
Стоимость доставки в пределах контура - 700 рублей, при заказе от 100000 рублей - бесплатно. По Ленинградской области стоимость доставки 700 рублей + 60 рублей км.
Условия доставки объемных и крупногабаритных грузов от 50 кг обсуждаются
с менеджером.
Обратите, пожалуйста, внимание, что мы доставляем товары только до
подъезда.
Доставка по России осуществляется компаниями "Автотрейдинг", "Деловые Линии" или любой удобной для Вас логистической компанией.
Доставка до терминала в Санкт-Петербурге - бесплатно.
Товар можно забрать самостоятельно из офиса по адресу:
Санкт-Петербург, Чугунная, дом 14, лит. K (въезд с Менделеевской 5)
Новая услуга на рынке электронной коммерции – покупка товара в кредит, не выходя из дома!
В течение часа кредитный менеджер свяжется с Вами для уточнения паспортных данных. Затем заявка будет рассмотрена банками-партнерами. О принятом решении Вам сообщат до конца дня (а, скорее всего, – уже через пару часов).
Кредитный менеджер позвонит, чтобы согласовать удобное для Вас время и место встречи для подписания кредитных документов. После подписания Вам остается ждать доставки товара.
Теперь Вам остается внести первоначальный взнос – от 10% и получать удовольствие от приобретенного Вами товара!